上海龙施自动化科技有限公司欢迎您!
龙施科技 ·
中国气密检测技术引领者
检测结果精准|免费提供方案|免费试用产品|终身服务保障
服务热线:400-188-1837
150-0079-8899
187-7140-1205
网站首页
产品中心
行业解决方案
新闻资讯
关于我们
联系我们
hover动效文字2
行业动态
您的位置:
首页 >>
行业动态
龙施科技全自动气密性检测设备——铸造壳体试压试验的创新解决方案
近期国产气密检测设备龙施科技厂家针对铸造壳体试压试验研发出一款全自动气密检测设备,本视频介绍详细功能解析与操作流程全攻略大家好,今天我向大家详细介绍一下这两台非标定制的全自动气密检测设备,客户要求一台设备检测四类产品的气密测试,测试压力范围是0~3.0Mpa,采用气驱液体高压泵进行水压测试,这里就是加水口,配有过滤器;这边是排水:测试完成后水阀打开自动排水,这里是气源进气口,整个测试通过加压、保压、卸压等工作来完成气密性检测,主要用于铸造壳体、缸体、阀门试压试验。接下来我们介绍一下操作流程: 我们这款设备分为自动模式和手动模式,自动模式下,利用机器人将产品投入到设备上料位置后,设备通过滑台模组自动将产品送入检测位,,如果是手动模式下,人工将产品放置到检测位置,然后按下气密仪器启动设备,通过增压气缸将产品顶部及两端通孔封堵,封堵后气密性检测仪开始检测,检测完成后滑台模组复位,机器人取料。这边呢是一个NG品工位,当气密性检测仪检测为NG品后,机器人将产品放置到这个NG品传送带传出。
2024-09-28
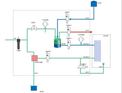
详谈龙施仪器关于气密性检测仪对汽车水泵防水检测步骤方法及判定标准
汽车水泵利用气密性检测仪进行防水测试,通过气密性检测仪充气、稳压、测试、排气四个阶段来检测产品内部的压力变化,如果气压下降,说明产品有泄漏。即使是微小的泄漏,气密性检测仪也能迅速捕捉到并计算出泄漏值,然后根据设定的判定参数判断产品是否合格。
2024-08-07
机场导航灯跑道灯滑道边灯的防水测试:气密性检测设备是如何完成测试的?
气密性检测设备的工作原理主要是利用压缩空气为介质,然后运用高灵敏的压力传感器检测压力差的概念。当对机场导航灯、跑道灯、户外灯具等进行测试时,设备会向灯具内部或外部充入一定压力的气体,然后充完气后保持压力平衡一段时间,再测定压力变化情况以得出是否有泄漏。
2024-07-29
四通道差压式气密性检测设备解决了产线测试效率慢的问题,能够大规模的在产线部署实施,提升生产效率。
四通道差压式气密性检测设备的问世解决了传统气密性检测设备在产线上测试效率慢的问题。高精度、可靠性强以及适应性广的特点,使得它能够在各个行业的产线中大规模部署实施。未来,随着科技的不断进步,四通道差压式气密性检测设备将会更加智能化和自动化,为制造企业提供更高效、更可靠的产品质量保障。
2024-05-08
线材线束的密封性如何保证?IP67防水等级标准的气密性检测方法与操作说明—上海龙施科技针对此问题分享案例操作方法
线束、线体的气密性主要通过对连接端口处进行密封。密封件的质量和安装工艺对线束、线体的气密性起着决定性作用。首先我们需要根据产品外形特性来定制留有线槽的模具工装,将线束、线体封闭在一个密闭的容器中,然后通过压缩空气或氮气注入腔体内部,气密性检测仪器内部的压力传感器测量腔体内的气压变化。如果腔体内的气体压力变化大,则说明线束线体存在气密性问题。
2024-04-19
直压气密性检测仪与差压气密性检测仪全面比较:原理、场景与性能。气密性检测仪厂家推荐
密性检测仪在行业中扮演重要角色,直压和差压技术各有优势。直压仪器操作简便,适用于普通产品和防水性能检测;差压仪器精度高,稳定性好,适用于高端精密产品检测。选择仪器需根据测试精度、稳定性、成本等综合考虑。
2024-04-10
上海龙施科技气密性检测设备有哪些优势?该如何选择气密性测试设备?
龙施仪器一直致力于泄漏测试领域,拥有多种气密性检测仪器型号流量式测试仪、直压式测试仪、差压式测试等标准仪器以及各种定制款工装治具、非标自动化设备等
2024-03-09
本文以问答形式回复各种气密性检测设备、气密性测漏仪、防水检测设备、泄漏检测仪器的常见问题相关知识!
您正在寻找一家专业做气密性检测设备的厂家吗?您想要了解气密性检测设备的工作原理和测试方法吗?或者您正在苦恼选择进口的还是国产的仪器?那么接下来这篇文章你可以认真看看,本文以问答形式回复各种气密性检测、气密性测漏、防水检测、泄漏检测的常见问题相关知识!
2024-03-06
影响电池包气密性的关键因素及改善要点,如何提高电池包的气密性
电池包的密封性关乎到整车的使用安全,其密封性能除下述列举的因素外,其他零部件也会直接或间接地影响电池包的密封性能。本文中提到的内容和方法只是其中一个方面,具体的密封性测试还需要不断的探索、创新和改进。
2024-02-22
产品气密性防水检测,什么时候使用负压测试?与正压有什么区别?
在生产制造过程中,进行气密测试时,负压测试是一种常用的方法。负压测试通过抽空测试产品内部空气,以判断产品外部气压是否向内部泄漏。
2024-02-21
1
2
3
4
资讯中心
生活家电
线材线束
安防照明
医疗器械
汽车新能源
消费电子
最新资讯
行业动态
产品百科
仪器使用说明视频
服务热线
010-8888888
最新资讯
1
进口 VS 国产气密性设备怎么选?行业底层差距一次性讲透
2
产能提速 10 倍,质量控制能否跟上?在线气密检测重构产线安全闭环
3
龙施科技气密检测仪:工业4.0时代的质量管控新范式
4
哪些产品必须要做气密性检测?
5
T/CASME 2043—2025《质子交换膜燃料电池堆气密性测试方法》与T/CASME 2044—2025《质子交换膜燃料电池堆气密性检测仪》
行业案例
消费电子
生活家电
汽车新能云
线材线束
医疗器械
产品中心
泄漏测试仪
漏点检测机
桌面式测试平台
落地式测试平台
关于我们
公司简介
企业理念
荣誉资质
新闻资讯
| 联系我们
电话:15000798899/18771401205
邮箱:vip@longshikeji.com
微信:18771401205
地址:上海青浦区天一路568号
扫描微信二维码 添加我们
沪ICP备2022019952号